Pixhawk 6X/6X Pro Flight Controller

Pixhawk6X® is the latest update to the successful family of Pixhawk® autopilots made by Holybro, featuring STM32H7 cpus, vibration isolation of IMUs, redundant IMUs, double redundant barometers on separate buses, IMU heating, and integrated Ethernet for high speed connections to companion computers.

Pixhawk6X:

../_images/Pixhawk6X-internal.jpg

Where To Buy

The Pixhawk 6X autopilots are sold by Holybro

Features of Pixhawk6 Series

(click table below to expand)

../_images/Holybro_6_Comparison.png

Baseboard Pinouts

Baseboard options and pinouts

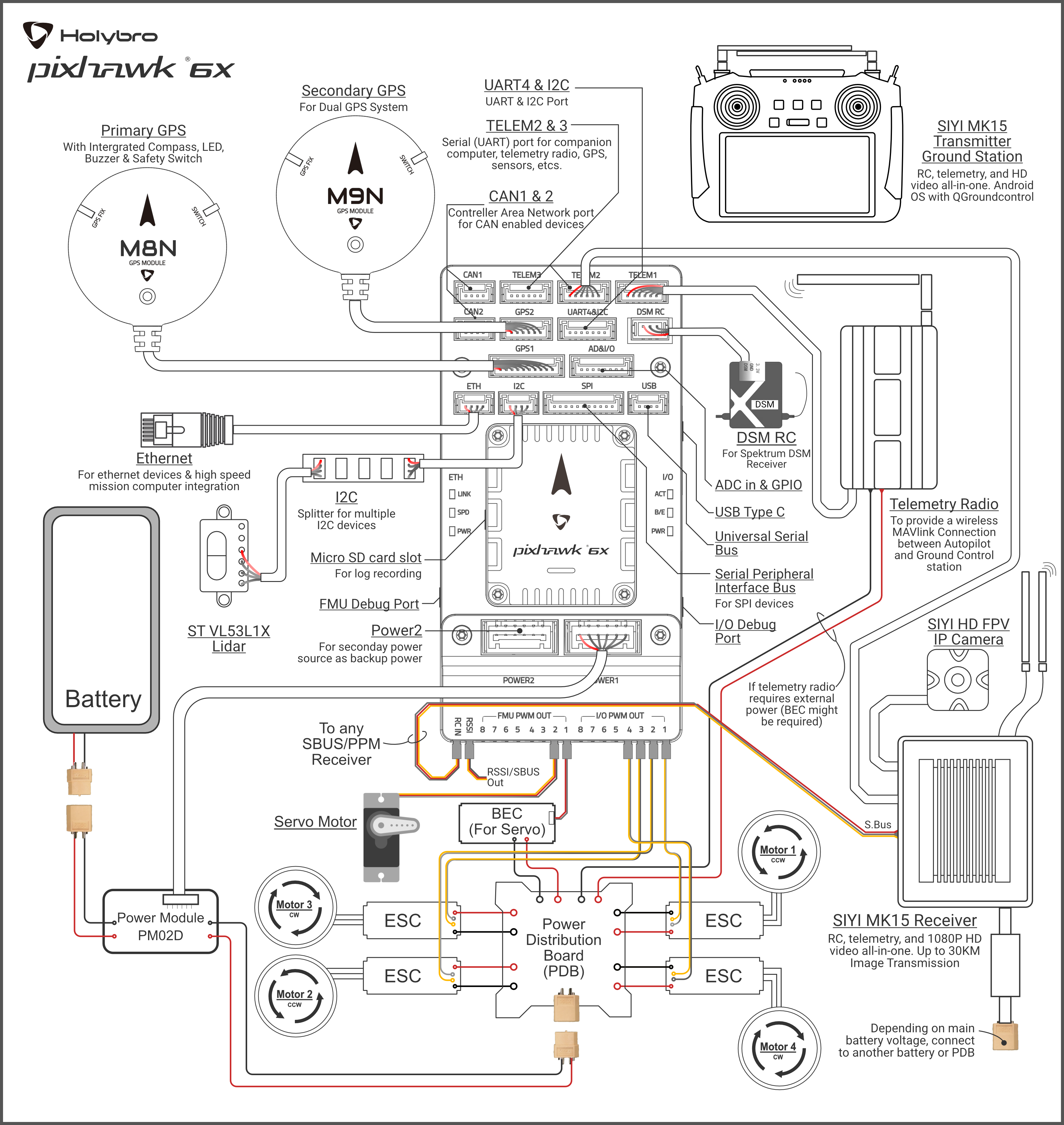
Typical Wiring Diagram

../_images/Pixhawk6X_Wiring.png

Note

duplicated RC control and telemetry solutions are shown. Duplicate systems are not usually used.

UART Mapping

  • SERIAL0 -> USB

  • SERIAL1 -> UART7 (Telem1) RTS/CTS pins

  • SERIAL2 -> UART5 (Telem2) RTS/CTS pins

  • SERIAL3 -> USART1 (GPS1)

  • SERIAL4 -> UART8 (GPS2)

  • SERIAL5 -> USART2 (Telem3) RTS/CTS pins

  • SERIAL6 -> UART4 (User)

  • SERIAL7 -> USART3 (Debug)

  • SERIAL8 -> USB (MAVLink, can be used for SLCAN with protocol change)

RC Input

The RCIN pin, which by default is mapped to a timer input, can be used for all ArduPilot supported receiver protocols, except CRSF/ELRS and SRXL2 which require a true UART connection. However, FPort, when connected in this manner, will only provide RC without telemetry.

To allow CRSF and embedded telemetry available in Fport, CRSF, and SRXL2 receivers, a full UART, such as SERIAL6 (UART4) would need to be used for receiver connections. Below are setups using Serial6.

Any UART can be used for RC system connections in ArduPilot also, and is compatible with all protocols except PPM. See Radio Control Systems for details.

PWM Output

The Pixhawk6X supports up to 16 PWM outputs. All 16 outputs support all normal PWM output formats. All FMU outputs, except 7 and 8, also support DShot.

The 8 FMU PWM outputs are in 4 groups:

  • Outputs 1, 2, 3 and 4 in group1

  • Outputs 5 and 6 in group2

  • Outputs 7 and 8 in group3

FMU outputs within the same group need to use the same output rate and protocol. If any output in a group uses DShot then all channels in that group need to use DShot.

Battery Monitoring

The board has 2 dedicated power monitor ports with a 6 pin connector. They are intended for use with the I2C power monitor supplied with the autopilot.

Note

do not try to use the Mission Planner SETUP->Optional Hardware->Battery Monitor tab to setup the I2C power monitors for the Pixhawk6X. The parameters needed for their operation are already setup by default:

Note

In Ardupilot 4.4 and later, the BATT_I2C_ADDR for Pixhawk 6X is default to be 0. This will perform an auto detection of the I2C address, and you do not need to change BATT_I2C_ADDR parameter.

Compass

The Pixhawk6X has a built-in compass. Due to potential interference, the autopilot is usually used with an external I2C compass as part of a GPS/Compass combination.

GPIOs

The 8 FMU outputs can be used as GPIOs (relays, buttons, RPM etc). To use them you need to set the output’s SERVOx_FUNCTION to -1. See GPIOs page for more information.

The numbering of the GPIOs for PIN variables in ArduPilot is:

FMU pins:

  • PWM1 50

  • PWM2 51

  • PWM3 52

  • PWM4 53

  • PWM5 54

  • PWM6 55

  • PWM7 56

  • PWM8 57

Additional GPIOs:

  • FMU_CAP1 58

  • NFC_GPIO 59

Analog inputs

The Pixhawk6X has 2 analog inputs, one 6V tolerant and one 3.3V tolerant

  • ADC Pin12 -> ADC 6.6V Sense

  • ADC Pin13 -> ADC 3.3V Sense

  • Analog 3.3V RSSI input pin = 103

Connectors

Unless noted otherwise all connectors are JST GH

See Pixhawk6X baseboard pinout

Loading Firmware

The board comes pre-installed with an ArduPilot compatible bootloader, allowing the loading of xxxxxx.apj firmware files with any ArduPilot compatible ground station.

Firmware for these boards can be found here in sub-folders labeled “Pixhawk6X”.

Bi-Directional DShot firmware variations are available also.

Layout and Dimensions

See Pixhawk6X dimensions