JAE JFB-110

The JAE (Japan Aviation Electronics Industry) JFB-110 autopilot is made in Japan with a focus on robustness and reliability. Instead of the more common JST connectors, this autopilot uses automotive grade water proof connectors for most peripherals. It also includes an automotive grade IMU and high speed TypeC USB.

../_images/jae-jfb110.jpg

Where To Buy

The JFB-110 can be purchased directly from JAE

Features

  • High speed STM32H755 microcontroller

  • 1x SCHA63T and 2x TDK InvenSense IIM-42652 IMUs

  • 2x MS5611 barometers

  • Built-in iSentek IST8310 magnetometer

  • MicroSD card slot

  • 5 UARTs plus USB, RCIN, SBUS_OUT

  • 16 PWM outputs

  • Four I2C and two CAN ports

  • External buzzer (Open/Drain and 33V Out)

  • External safety switch

  • Voltage monitoring for servo rail and Vcc

  • 2x power input ports for external power bricks

Specifications

  • Size: 67mm x 88mm x 17mm

  • Weight: 60g

  • Power consumption: under 3W

  • Input voltage: 4.9V ~ 5.5V

  • Temp Min/Max: -40C ~ +85C

../_images/jae-jfb110-specs.png

Connectors

Port Name

Board side connector

Socket Housing

Socket contact

PWR1, PWR2

MX77A008HF1

MX77A008SF1

MX77S13K5F1

101

MX77A040HF1

MX77A040SF1

MX77S13K5F1

102

MX77A032HF1

MX77A032SF1

MX77S13K5F1

103

MX77A012HF1

MX77A012SF1

MX77S13K5F1

PWR1, PWR2 port pin assignments

../_images/jae-jfb110-pwr-pins.png

Pin No

Name

Details

1

Current

0V~3.3V input

2

Voltage

0V~3.3V input

3 ~ 5

VCC

4.9V ~ 5.5V input

6 ~ 8

GND

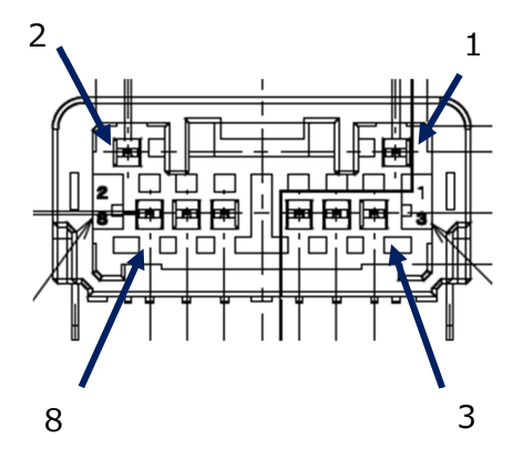
101 port pin assignments

../_images/jae-jfb110-101-pins.png

Pin No

Name

Details

1

Serial1 TX

Telem1

2

Serial1 RX

Telem1

3

VCC Periph 5V

5V

4

VCC Periph 5V

5V

5

CAN H1

CAN1 port

6

VCC Periph 5V

5V

7

Serial3 TX

GPS

8

I2C1 SCL

I2C1 port

9

Safety Switch

10

VCC 5V High Power

5V 1.5A max

11

VCC 3.3V High Power

3.3V 1A max

12

SPI5 SCK

SPI5 port

13

SPI5 MISO

SPI5 port

14

SPI5 MOSI

SPI5 port

15

VCC Periph 5V

5V

16

VCC Periph 5V

5V

17

Serial4 TX

GPS2

18

I2C2 SCL

I2C2 port

19

Serial1 CTS

20

Serial1 RTS

21

GND

22

GND

23

CANL1

CAN1 port

24

GND

25

Serial3 RX

GPS

26

I2C1 SDA

I2C1 port

27

Safety Switch LED

Open 3.3V / Drain

28

Buzzer

Open/Drain

29

VCC 3.3V High Power

3.3V 1A max

30

Serial5 RX

RC input2

31

RSSI

Pin 10

32

GND

33

Serial6

SBUS Out

34

RC In

35

Buzzer

Open , 5KOhm pull down

36

SPI5 CS1

SPI5 port

37

GND

38

GND

39

Serial4 RX

GPS2

40

I2C2 SDA

I2C2 port

102 port pin assignments

../_images/jae-jfb110-102-pins.png

Pin No

Name

Details

1

VCC Periph 5V

5V

2

Serial2 TX

Telem2

3

Serial2 RX

Telem2

4

VCC Periph 5V

5V

5

CAN H2

CAN2 port

6

Chassis GND

7

FMU CAP1

GPIO 66

8

VCC Periph 5V

5V

9

I2C4 SCL

I2C4 port

10

PWM OUT 1

GPIO 50

11

PWM OUT 2

GPIO 51

12

PWM OUT 3

GPIO 52

13

PWM OUT 4

GPIO 53

14

VCC Servo

5V 1.5A max

15

GND

16

Serial2 CTS

17

Serial2 RTS

18

GND

19

CAN L2

CAN2 port

20

GND

21

FMU CAP2

GPIO 67

22

WDT FAIL

TTL

23

External Reset

TTL

24

ADC 3.3V

Pin 13

25

ADC 3.3V

Pin 12

26

GND

27

I2C4 SDA

I2C4 port

28

PWM OUT 5

GPIO 54

29

PWM OUT 6

GPIO 55

30

PWM OUT 7

GPIO 56

31

PWM OUT 8

GPIO 57

32

GND

for PWM OUT

103 port pin assignments

../_images/jae-jfb110-103-pins.png

Pin No

Name

Details

1

GND

For PWM OUT

2

GND

For USB

3

USB OTG FS DM

USB port

4

USB OTG FS DP

USB port

5

PWM OUT 9

GPIO 58

6

PWM OUT 10

GPIO 59

7

PWM OUT 11

GPIO 60

8

PWM OUT 12

GPIO 61

9

PWM OUT 13

GPIO 62

10

PWM OUT 14

GPIO 63

11

PWM OUT 15

GPIO 64

12

PWM OUT 16

GPIO 64

UART / Serial

Port

Default Use

CTS/RTS

DMA

Serial0

USB

N/A

No

Serial1

Telem1

Yes

Yes

Serial2

Telem2

Yes

No

Serial3

GPS

No

No

Serial4

GPS2

No

Yes

Serial5

RCin2

No

Yes

Serial6

SBUS Out

No

Yes

Serial7

Unused

No

Yes

Serial8

USB SLCAN

N/A

Yes

RC Input

The RC In pin, is mapped to a timer input and can be used for all ArduPilot supported receiver protocols, except CRSF/ELRS, FPort, and SRXL2 which require a true UART connection. However, FPort, when connected in this manner, can provide RC without telemetry.

An alternate RC input is setup on SERIAL5 RX input and provides the same capabilities as above except it does not support PPM.

To allow CRSF and embedded telemetry available in FPort, CRSF, and SRXL2 receivers, any full UART with DMA can be assigned to be used as the RC connection instead of the PPM pin. For example SERIAL4 could be re-assigned as RC input.

With this option, SERIAL4_PROTOCOL must be set to “23”, SERIAL5_PROTOCOL must be cahnged to some other protocol than its default of “23” (only one UART is allowed to have that protocol in a system), and:

  • PPM is not supported.

  • SBUS/DSM/SRXL connects to the RX pin.

  • FPort requires connection to TX. and setting SERIAL4_OPTIONS = 7 (invert TX/RX, Half Duplex)

  • CRSF also requires a TX connection, in addition to RX, and automatically provides telemetry.

  • SRXL2 requires a connection to TX and automatically provides telemetry. Set SERIAL4_OPTIONS to “4”.

PWM Output

The JFB-110 supports up to 16 PWM outputs and are PWM or DShot capable

  • PWM 1 and 2 in group1 (TIM15)

  • PWM 3 and 4 in group2 (TIM3)

  • PWM 5, 11 ,12 and 13 in group3 (TIM4)

  • PWM 6 ,9 and 10 in group4 (TIM1)

  • PWM 7 ,8 and 15 in group5 (TIM5)

  • PWM 14 and 16 in group6 (TIM12)

Battery Monitors

The board has 2 dedicated power monitor ports with an 8 pin connector and several associated parameters. These should already be set by default to match the supplied power module. However, if lost or changed:

Enable Battery monitor with these parameter settings :

BATT_MONITOR = 4 BATT2_MONITOR = 4

Then reboot.

BATT_VOLT_PIN = 16

BATT_CURR_PIN = 6

BATT_VOLT_MULT = 18.182

BATT_AMP_PERVLT = 36.364

BATT2_VOLT_PIN = 9

BATT2_CURR_PIN = 18

BATT2_VOLT_MULT = 18.182

BATT2_AMP_PERVLT = 36.364

Compass

The JFB-110 has a builtin IST8310 compass. Due to potential interference the board is usually used with an external I2C compass as part of a GPS/Compass unit.

Hardware Debugging

The JFB-110 supports SWD debugging on the debug port

Loading Firmware

The board comes pre-installed with an ArduPilot compatible bootloader, allowing the loading of xxxxxx.apj firmware files with any ArduPilot compatible ground station.

Firmware for these boards can be found here in sub-folders labeled “JFB110”.

Video